土壌凍結が微生物バイオマスと根圏微生物フロラに及ぼす影響


[要約]
土壌凍結は微生物バイオマスの低下をもたらすが、有機物施用はその水準の維持や活性増大に寄与し、これを介して養分供給を促進する。融凍後の根圏微生物フロラも凍結の影響を受けるが、有機物施用は根圏フロラの変動を緩和する。
北海道農業試験場・生産環境部・上席研究官
[連絡先]011-857-9232
[部会名]生産環境
[専門]土壌肥料
[対象]
[分類]

[背景・ねらい]
土壌凍結や積雪は土壌微生物フロラの量的・質的変動を介して作物の根発達や養分供給に影響することから、寒地土壌の微生物特性を特徴付ける環境要因と考えられる。寒地における土壌の微生物生態的特性に基づく微生物制御のための基礎的知見を得ることを目的として、多腐植質黒ボク土を供試して土壌凍結融凍過程及び作物生育過程における微生物バイオマスや根圏微生物フロラの変動を検討した。

[成果の内容・特徴]
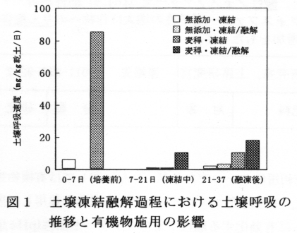
  1. 土壌呼吸速度は凍結前には麦稈の添加によりほぼ10倍弱に増加したが、凍結(-10℃)によって急速に低下した。融凍後の呼吸速度の回復は凍結処理様式の影響を受け、凍結・融凍を繰り返すと呼吸速度はより増大した(図1)。土壌バイオマス炭素は麦稈添加により増加し、これは凍結期間中も維持されるが、融凍後には無添加土壌と同レベルに低下した。無添加土壌での土壌凍結はバイオマス水準を低下させ、融凍後もほぼ同レベルないし若干増大する推移を示した(図2)。
  2. 土壌凍結が作物生育に及ぼす影響をインゲンマメでみると、根発達は有機物無添加では低く推移したが、きゅう肥施用では凍結処理(-30℃)で生育促進傾向がみられた。微生物バイオマス窒素は有機物無施用では凍結処理や軽度処理で減少・増大と経過したが、きゅう肥施用では増大・減少と推移した(図3)。すなわち、有機物無施用では凍結処理によってバイオマス窒素が減少しその後回復するのに対し、きゅう肥施用では逆の経過をたどった。
  3. 生育初期の根面糸状菌フロラの多様性指数は概ね無施用<きゅう肥施用で、きゅう肥系列では時期による変動は小さかったが、有機物無施用ではフロラの変動がより大きい傾向がみられた(図4)。蛍光性Pseudomonasは凍結処理によって低下し、きゅう肥施用により高く維持された。
  4. 以上の結果から、凍結処理は有機物無施用条件ではバイオマス窒素の消耗や微生物フロラの貧困化や大きな変動をもたらすこと、有機物施用は土壌凍結や積雪に伴う微生物的な環境変化を緩和することが示唆された。

[成果の活用面・留意点]
  1. 本実験における凍結処理は-10℃、-30℃であり、自然環境条件より強い処理である。
[その他]
研究課題名:寒地土壌における微生物生態の特性解明
予算区分 :重点基礎
研究期間 :平成10年度(平成8〜10年)
発表論文等:土壌の凍結融解に伴う微生物バイオマスの変化,土壌肥料科学会講要集第44集,1998.

戻る