地下埋設型密閉式ばっ気処理槽のバイオガスプラントへの改造利用
[要約]
固液分離液を対象とする地下埋設型密閉式ばっ気処理槽を、最低限の改造により嫌気発酵処理施設に転換可能である。改造によって処理に必要なエネルギーが削減され、窒素成分の揮散は抑制されるが、運転操作は投入原料の性状に影響を受ける。
[キーワード]
[担当]道立根釧農試・研究部・酪農施設科
[代表連絡先]電話0153-72-2154
[区分]北海道農業・畜産草地
[分類]技術・参考
[背景・ねらい]
近年整備されたふん尿処理施設のうち、スラリー処理施設ではばっ気処理方式での整備が多いが、運転経費の高さや施設運転の難しさから十分な施設の活用が図られていない。そこで固液分離液を対象とする地下埋設型ばっ気処理槽を、最低限の改造によって簡易な嫌気発酵処理施設に転換し、改造時の留意点や初期・運転経費、運転時の問題点を明らかにする。
[成果の内容・特徴]
-
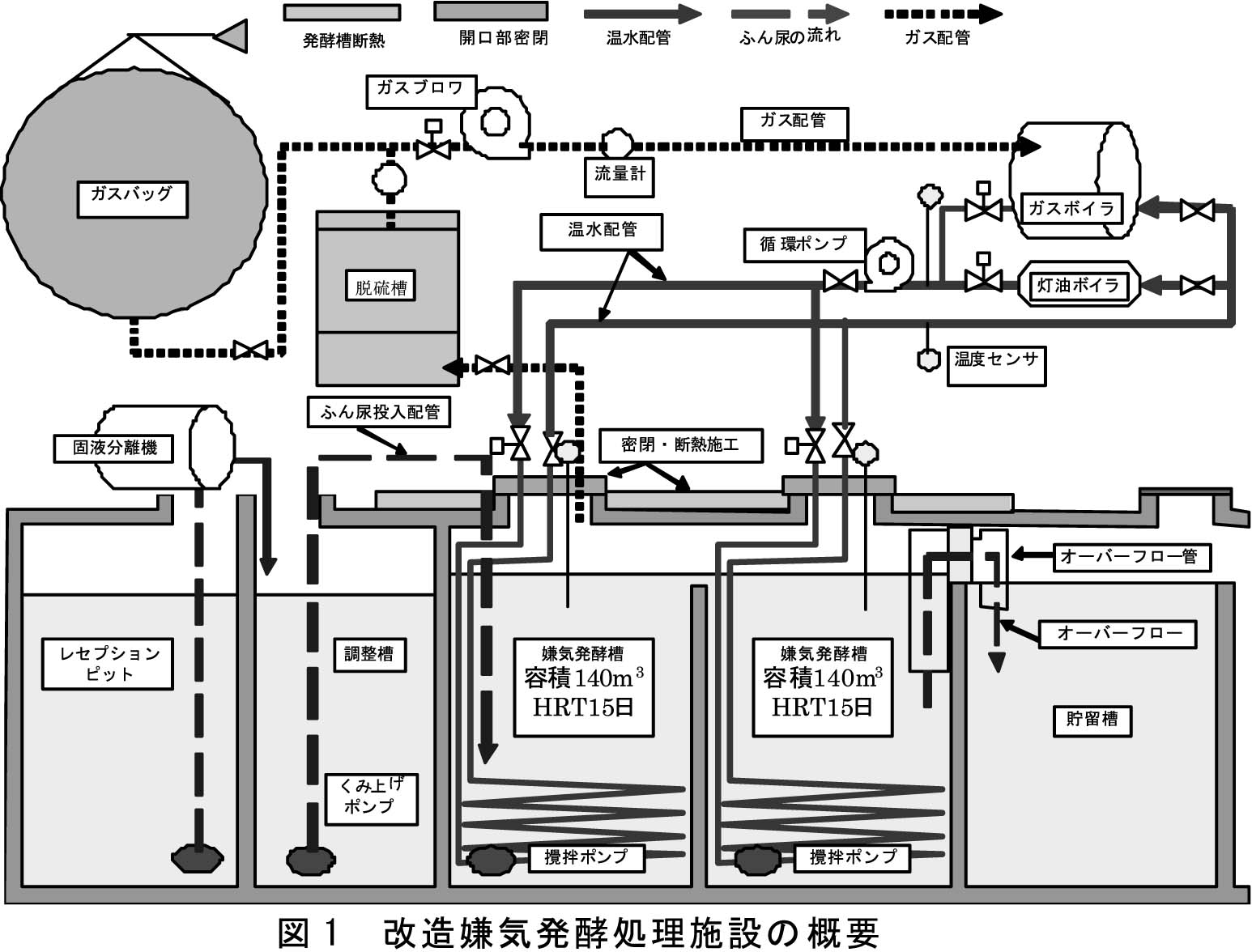
ばっ気槽から嫌気発酵槽への改造は、換気装置の設置など作業時の安全を確保した上で、@ばっ気槽内の洗浄、Aバイオガス取出管や加温用配管などの敷設、Bばっ気槽開口部の密閉、C発酵槽天面への断熱材設置の手順で実施する。根釧農試の地下埋設型ばっ気処理槽の改造に要した施工期間は49日間である。設計時の改造嫌気発酵処理施設の運転条件は、発酵温度42℃、水理学的平均滞留日数30日である(図1、表1)。
-
日投入量11m3、原料温度約15℃の固液分離液を原料とした条件で、冬期間のバイオガス生成量は約84m3/日(1〜3月)、メタン濃度は約64%であった。発酵槽加温用ガスボイラにおけるバイオガス消費量は約74
m3/日で、余剰バイオガスは約10m3/日である。
-
処理液の総窒素はばっ気処理では原料の乳牛ふん尿スラリーよりも減少したが、嫌気発酵処理では大きな変化が認められない。また、嫌気発酵により有機酸は減少し(表2)、臭気の低減が期待できる(表3)。
-
改造後の消費電力量は44.8kWh/日で、改造前のばっ気処理施設における所要電力量(63.7kWh/日)に比べ約3割低減される。施設の改造費総額は1764万円を要したのに対し、改造前と改造後を比較した運転経費軽減額は約8.8万円/年であった(データ省略)。
-
嫌気処理施設への改造により、改造前のばっ気処理施設に比べ、投入エネルギーが削減され、窒素成分の揮散が抑制される。ただし、原料性状については施設の運転に影響を及ぼすため慎重な検討を要する(表4)。
[成果の活用面・留意点]
-
この情報で提示した嫌気発酵処理施設への改造は固液分離機を備えた地下埋設型密閉式ばっ気処理槽を対象とし、投入原料は乳牛ふん尿スラリーの固液分離液分とする。
-
ふん尿処理槽・貯留槽は労働安全衛生法によって、第二種酸素欠乏危険作業所に指定されており、作業を行う場合は酸素欠乏危険作業主任者を選任し、換気の確保や保安設備の用意など必要な措置を講じなければならない。
平成20年度北海道農業試験会議(成績会議)における課題名および判定区分
「地下埋設型密閉式ばっ気処理槽のバイオガスプラントへの改造利用」(指導参考)[具体的データ]
[その他]
研究課題名:家畜排せつ物の利用促進に向けた処理・散布手法調査
予算区分:道費(農政部事業)
研究期間:2006〜2007年度
研究担当者:関口建二、高橋圭二
目次へ戻る